版權(quán)所有 ? 2020-2021 張家港市南承機械有限公司 版權(quán)所有. 蘇ICP備11006056號-1 網(wǎng)站地圖
電話 :邱經(jīng)理:13601566060
胡經(jīng)理:18020239038
郵箱地址 :[email protected]
聯(lián)系地址 : 江蘇省張家港市樂余鎮(zhèn)兆豐同心路9號
邱經(jīng)理:13601566060 / 胡經(jīng)理:18020239038


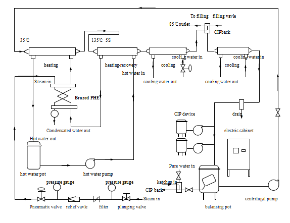
主要用于果汁、茶飲料、鮮奶、葡萄酒等熱敏性液體的殺菌、保溫、冷卻,殺菌溫度在85℃-135℃。